想了解设备资料?报价?售后?请留言,速回电
厂家直销,留言立享本月优惠价免费提供环保政策、办厂手续、投资预算等资料
对于磨粉机来说,电机装置部分是整个设备的重中之重的部分,控制着整个雷蒙磨粉机的动向。今天所要了解的就是关于雷蒙磨粉机的电气部分的所有内容。
(1).jpg)
1、 磨粉机主机与雷蒙磨风机的起动控制
本雷蒙磨电机容量大于30kW时,采用降压起动,小于30kW时,采用直接起动,即4R、5R、6R的主机与风机采用降压起动,系统中除4R的风机采用星三角形起动,其余采用延边三角形起动。
延边三角形的起动与运转联接,由接触器与时间继电器组成控制线路,自动转接,时间继电器一般调整延时为10s左右。
延边三角形起动电机的接线应严格按照制造厂提供的雷蒙磨(磨粉机)使用说明书的要求,接线时应细心检查、对号接线,避免因错接而造成不必要的电器与电机的损坏。
2、给料机的控制及自动给料整定
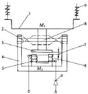
(1)磨粉机中给料机采用电磁振动给料方式,振动给料机的结构原理见图3-1。电振机是一个双质点定向强迫振动系统。由槽体、联接叉、衔铁组成。

图3-1工作原理图
1-槽体;2-板弹簧组;3-衔铁;
4-壳体;5-铁芯;6-线圈;
7-气隙;8-联接叉;9-减振器
(2)整个电振给料机应自由状态悬挂,周围应有一定的游动间隙,不得有物料与给料机相碰,以免工作时产生噪声。
(3)安装完毕后应将用于定位连接叉及检时的螺钉松开(在振动器部位上面三个,下面一个),松开后将锁紧螺母拧紧。
(4)打开振动器后盖,检查铁芯与衔铁的气降是否在 1.8-2.1mm 范围内,是否平行和清洁,并检查所有螺钉有无松动现象,特别是压紧铁芯与衔铁及板弹簧螺钉,一切正常后盖上后盖。
(5)通电进行空载试车,调整电位器,由小逐渐缓慢加大,调节振幅,观察振幅与电流的变化情况,振幅在1.75mm±7%,电流在0.6-2.5A,连续工作1h以上看振幅与电流是否稳定,各部位螺钉有无松动现象。
(1).jpg)
在一切正常的情况下,打开料仓闸门进行物料输送,再次观察振幅(打开料仓厉振幅允许下降0.5mm,如下降太大应按电振给料机说明书检查料槽压仓与调整弹性系统)与电饭是否稳定,给料量是否满足要求。如振幅与电流均在额定值,若给料量仍未能满足要求,可将振动器吊装成一个向下的倾角,使之满足给料量要求,但倾角(槽体与水平夹角)不超过200。
磨粉机价格详细垂询:0371-67772626
磨粉机厂家地址:郑州-国家高新技术产业开发区檀香路8号
想了解设备资料?报价?售后?请留言,速回电
厂家直销,留言立享本月优惠价免费提供环保政策、办厂手续、投资预算等资料
3分钟前 高先生:时产200吨制砂机报个价,处理鹅卵石
8分钟前 李先生:移动式破碎机怎么解决粉尘问题?
13分钟前 徐女士:需要制砂机,南宁能看制砂现场吗?
16分钟前 程先生:破碎生产线出个方案及报价,有什么售后服务?
22分钟前 郑女士:想了解时产500吨锤破,加工石灰石
31分钟前 吴先生:成套石头破碎设备有吗?给个详细产品资料
36分钟前 罗先生:每小时100吨左右的鄂破和反击破,推荐下型号
42分钟前 梁先生:膨润土磨到200目,用什么磨粉设备?
提交留言我们会第一时间回复您!
在球磨机开发运转过程中,中空轴轴颈和主轴承轴瓦之间时有摩擦,保持润滑工作的合理是降低摩擦、减少磨损的必备工作。其中轴承液压系统是球磨机的关键部件,其高压部分主要作用是提供给主轴承高压油,保证球磨机平稳运行。
2015-04-18高频细筛是一种新型的筛分机械,在选矿、选煤、冶金等行业中有着广泛的应用。本文主要分析介绍其各组成部分的结构及作用。
2013-12-25磁性重介质的回收净化流程是重介质选煤工艺系统的重要组成部分。该子系统主要完成重介质的回收再用的目的。重介质选煤厂的介质消耗量是衡量重介质选煤厂工艺水平和管理水平的重要指标,该流程应当满足系统对磁性介质回收率指标的要求。
2012-08-17液压调速型制动系统工作位置位于输送机驱动装置减速器高速轴的另一侧,由四部分组成。一是刹车变量泵与减速器高速轴相联接是产生制动力矩的执行部件,二是加载部分,三是散热油箱,四是控制部分
2012-08-01筛框结构的弹性振动主要以弯曲振动和扭转振动为主。以下是振动筛的模态分析过程,从整个振型筛的模态分析中可以看出,振动筛筛框的入料端的刚度比排料端低。
2012-06-28国外引进或是仿制的浮选机,普遍充气量小,处理能力低,不能满足生产发展的需要。为了适应选煤工业的高速发展,我国自行研制了新型煤泥浮选机,大大提高生产效率。以下是新型XJM型浮选机的构造和XJM型浮选机的伞形叶轮定子组的特点
2012-03-03